arrow_back
Kundeservice
Modellsøk
Favoritter
0
Logg inn
Handlekurv
0
Båt
Vannsport
Båtkalesje & Trekk
Yamarin Kalesjer & Trekk
Finnmaster Kalesjer & Trekk
Jeanneau Havnekalesjer
Buster Havnekalesjer
Grand Kalesjer & Trekk
Vis alle
Båtdeler.no
Flak.no Båtutstyr
Flytevest/Redningsvest til Båt & Vannscooter
Yamaha
Båtkalesje & Trekk
Dekal/Klistremerker
Vis alle
Finnmaster
Finnmaster Kalesjer & Trekk
Yamaha Motor
Yamaha Bensin Utenbordsmotor
High Thrust / Arbeidsmotorer
Performance (VMAX / XTO)
Yamaha Elektriske motorer (el-motor/trolling)
Vannscooter
Sea-Doo Originaldeler
Nøkkel
Delekatalog
Tennplugger
Impeller
Wear Ring/Slitering
Vis alle
Sea-Doo Vannscooter
Vannscooterdock
Vannsport
Flytevest/Redningsvest til Båt & Vannscooter
Sikkerhet
Solas
Tauverk og Fortøyning
Bekledning BRP
Flytevest/Redningsvest til Båt & Vannscooter
Hodeplagg
Genser
Hansker
Våtdrakt/Tørrdrakt
Vis alle
Smøring & Vedlikehold
XPS
Oppbevaring, LinQ & Utstyr
ATV
Linhai
Segway
Segway ATV
Segway Utstyr
Tilhengere
Vannscooter Hengere
Bremsede Båthengere
Ubremsede Båthengere
Multiroller Hengere
Hengere for Pioner og andre rotasjonsstøpe båter
Opplagshengere
Varehengere RS-serien
Planhengere
Skaphengere
Varehengere RU-serien
Varehengere RS-serien, 2 akslet
Spesialhengere
Bil og Maskin Hengere
Snøscooter Hengere
Tilhenger Deler & Utstyr
Vinsj
Webshop
Båt
Båtdeler.no
Yamaha
Yamaha Oljer & Servicedeler
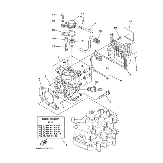
GASKET, HEAD COVER 1, DEL 9
GASKET, HEAD COVER 1, DEL 9
Varenr:
69M11193A000
230,-
184,-
eks. mva.
Velg produktalternativer
Velg komponenter
Legg i handlekurv
Klikk og hent
ikke på lager (bestillingsvare)
230,-
184,-
eks. mva.
230,-
184,-
eks. mva.
ikke på lager (bestillingsvare)
Passer til
Passer til
Yamaha 2.5 F2.5 F2.5A
Cookie-innstillinger
Ok
Oppdaterer handlekurven...
Handlekurven er oppdatert.
Velg årstall
×
Velg
Hendvendelsen gjelder:
Deres navn
Telefon*
Epost*
Postnummer
Epost eller telefonnr må oppgis for at vi skal kunne ta kontakt.
Kommentar
Henvendelsen er sendt, og vi vil kontakte deg.
Det oppstod en feil og skjemaet ble ikke sendt. Vennligst prøv igjen senere eller ta kontakt med kundeservice.